Skip to main content

Three Phase Pfc Inductor Design

Three Phase Single Switch Power Factor Correction Circuit

Three Phase Single Switch Power Factor Correction Circuit

Power Factor Improvement Methods P F Correction Methods

Power Factor Improvement Methods P F Correction Methods

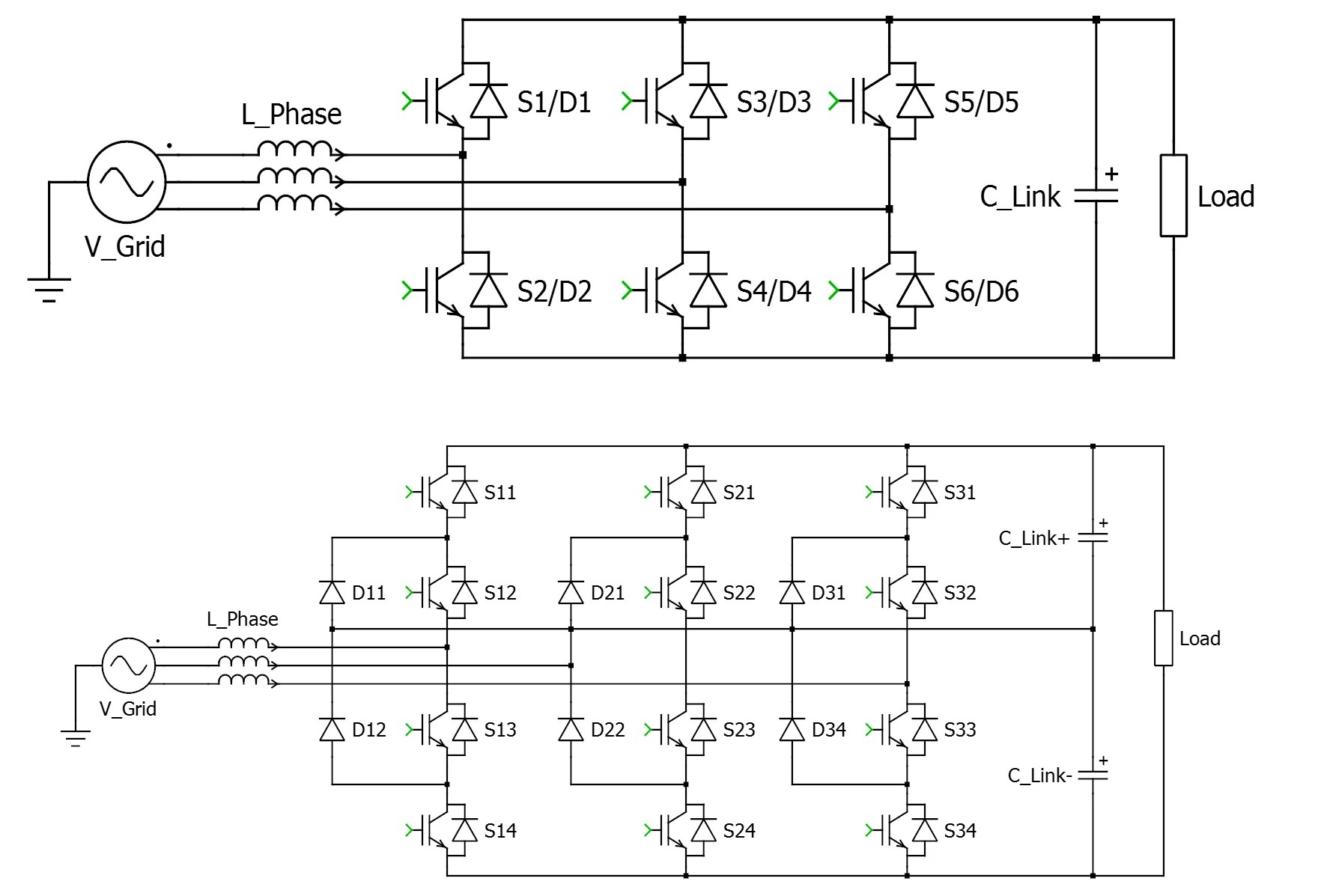
Figure 3 From Inductor Design Comparison Of Three Wire And

Figure 3 From Inductor Design Comparison Of Three Wire And


Figure 3 From Inductor Design Comparison Of Three Wire And
Highly Integrated And Ultra Compact Power Modules Vincotech

Highly Integrated And Ultra Compact Power Modules Vincotech

Vienna Rectifier Wikipedia

Vienna Rectifier Wikipedia

Digitally Controlled High Efficiency And High Power Density

Digitally Controlled High Efficiency And High Power Density

Wolfspeed Sic Mosfets Enable Radical Improvements In

Wolfspeed Sic Mosfets Enable Radical Improvements In

Three Phase Two Level Active Power Factor Correction Circuit

Three Phase Two Level Active Power Factor Correction Circuit

Reference Designs Digikey Electronics

Reference Designs Digikey Electronics

Gale Academic Onefile Document A New Single Stage Three

Gale Academic Onefile Document A New Single Stage Three

Optimal Design Of Lcl Harmonic Filters For Three Phase Pfc

Optimal Design Of Lcl Harmonic Filters For Three Phase Pfc

Emi Filter Design For A 1 Mhz 10 Kw Three Phase Level Pwm

Emi Filter Design For A 1 Mhz 10 Kw Three Phase Level Pwm

Design And Experimental Evaluation Of A Single Stage Ac Dc

Design And Experimental Evaluation Of A Single Stage Ac Dc

Power Factor Correction For High Power Inverters Kaizer

Power Factor Correction For High Power Inverters Kaizer

10kw Three Phase Sic Pfc Rectifier

10kw Three Phase Sic Pfc Rectifier

Comments

Popular posts from this blog

Ombre Nagel

First step is the base coat. Ombre nagel in french style. Ombre Nagel So Einfach Kann Man Nagel Mit Farbverlauf Niedlich Ombre Nagel Idee Thecuddl Petramode Info Ombre Nagel Weisse Spitze Franzosische Manikure Nails Ombre nagel im franzosischen stil dezent praktisch und. Ombre nagel . Ombre nagel sind gar nicht so schwierig wie die aussehen mit diesem kleinem tipp. Werbung selbstgekauft in diesem tutorial zeige ich euch wie ihr hubsche ombre nails mit farbverlauf lackiert. Ombre nagel 15 stilvolle ideen zum nachmachen nageldesign you can collect images you discovered organize them add your own ideas to your collections and share with other people. Greifen sie zu farben wie apricot blassrosa beige und naturlich weiss. Ombre french manicure design in shades of beige. Mit diesem hellen farbverlauf zieht definitiv der sommer auf euren nageln ein. ...

Ombre Nagel Schwarz Weiss

Ladyqueendee Nageldesign Glitzernagel Und Nagel Glitzer Schwarz Weisse Gelnagel Selber Machen 70 Gelnagel Muster Nageldesign Weiss 100 Ideen Fur Attraktive Und Schlichte Glitzer Farbverlauf Seite 2 Nailart Co Einfaches Abstraktes Nageldesign Selber Machen Party Nagel Easy Nail Art Ombre Nagel Selber Machen Anleitung Und Ideen Fur French Nails 30 Vorschlage Fur Stilvolle Und Bezaubernde Schwarz Stein 60 Fashionable French Nail Art Designs And Tutorials Noted

Ombre Nagel Schwarz Rot

Vanessa Hudgens Nails Black Red Ombre Halloween Nagel Popular Nageldesign Schwarz Rot Ombre Image Desain Ombre Nagel 15 Stilvolle Ideen Zum Nachmachen Nagel Ombre Nails Schnell Einfach Nagel Mit Farbverlauf Us 1 61 5 Off Gradient Frosted Fake Nail Artificial Nails Black Red Wine Matte Nail Tips For Acrylic Nails Square Tip Kit With Glue Sticker In False 1001 Ideen Fur Schlichte Nagel Zu Jedem Anlass Nageldesign Bilder Ken Beauty Nail Salon Ombre Nails Einfache Anleitung Fur Anfanger Nagel Mit Ombre Farbverlauf Grey To White Nail Design By Jet Set Beauty Werbe Teaser